circuits
schematics
diagrams
FreeCircuits.net

PC Serial Port Receiver
By internum
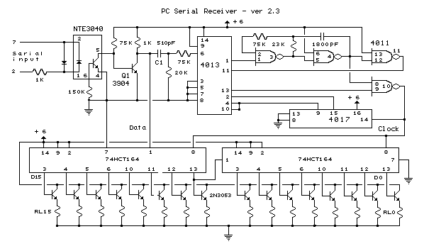
Originally designed with TTL logic, it has been simplified using CMOS circuits to reduce component count. It is a fairly simple, reliable circuit that requires only 4 common CMOS chips (for 8 outputs), an optical isolator, and a few discrete components. The schematic diagram (SERIAL.GIF) illustrates the circuit with 16 outputs which can be expanded with additional 8 bit shift registers.
Disclaimer
This circuit requires physical connections be made to the computer's serial port (COM1 or 2). To the best of my knowledge, it is difficult to cause damage to yourself or your computer by improper connections to this port, but there is no guarantee that damage will not result. Use caution when making any external electrical connections.

PC Serial Port Receiver circuit
Basic RS232 serial transmission
Serial data is transmitted from the PC as a series of positive and negative voltages on a single wire which occur at predetermined times established by the baud rate. Both the transmitter and receiver must be operating at the same baud rate so that the receiver knows when to expect the next bit of information. For the PC serial port, baud rate and bit rate are the same thing, but this is not necessarily true with modems that can detect more than two states of the line.
In the quiescent state, with no load on the line, the voltage on the transmit line (pin 2 of the 25 pin connector) will be about -12 relative to the signal ground (pin 7), which corresponds to a logical "1". The output impedance of the serial port is about 1K ohm which yields about 6 milliamps at 6 volts. A typical data transmission frame consists of a start bit, 8 data bits, and one to three stop bits. The start bit which is always positive, signals the beginning of the transmission and is used by the receiver to synchronize the clock so that the data bits can be sampled at the proper times. After the 9th time interval passes (start bit plus 8 data bits) a dead time occurs which allows the receiver time to get ready for the next character. This dead time is referred to as a stop bit, which is always negative or the same as the quiescent state. The circuit described here requires two stop bits of dead time for reliable operation. More sophisticated circuitry would require only one.
Transmitted character examples
The letter "A" has a ASCII decimal value of 65. The "1" and "64" bits are transmitted as a negative voltage (logical "1"), and the others are transmitted as a positive voltage (logical "0"). 64 + 1 = 65 = "A"
Circuit operation
The input terminals (pins 1 and 2) of the optical isolator are connected through a 1K resistor to the transmit and signal ground pins of the PC's serial port (pins 2 and 7 of the 25 pin connector). A small signal diode is connected across the isolator input terminals to protect the isolator from reverse voltage. In the idle state, the isolator input voltage will be about -0.7 volts and the isolator LED and transistor will be off. When a start bit is received, about 5 milliamps will flow through the isolator LED causing the isolator transistor to conduct at about 80 microamps which in turn causes the external switching transistor (Q1) to turn off. The rising voltage at the collector of Q1 is coupled through a 510 pF capacitor to produce a narrow positive pulse which sets the Q output of the first RS data latch (1/2 CD4013) and enables the dual NAND gate clock oscillator.
The clock oscillator runs at a frequency equal to the baud rate (9600 Hz) and must maintain a frequency accuracy of less than 5% over the temperature range. High stability R and C components are recommended. The clock output is delayed by one cycle so that the start bit will not be received as a valid data bit. This is accomplished by the two remaining NAND gates (1/2 CD4093) and the second RS data latch (1/2 CD4013). One of these gates is used to invert the clock phase so that the first clock edge seen by the latch (clock pin 11) will be going the wrong direction and so ignored. The remaining gate, which is enabled by the second latch, opens on the third clock edge, but also inverts the clock phase, and so supplies a falling clock edge to the counter and shift registers which is again the wrong direction, and is ignored. The fourth clock edge will be rising and active and will occur near the middle (about 52 microseconds) of the first data bit which will be shifted into the registers. The remaining 7 bits are shifted into the registers on each successive rising clock edge. Data is inverted at the register outputs, a logical "1" will correspond to zero volts, and a logical "0" will correspond to +6 volts. Transmitting character (255) will set all outputs low, and transmitting character (0) will set them all high.
The 4017 decade counter increments one count on each rising clock edge and resets both data latches on the 8th edge. This in turn stops the clock and resets the counter, and the circuit remains in a waiting state until the next start bit arrives. Two stop bits of dead time are required to allow the voltage at the input of the NAND gate (pin 2) to reach a logic "1" before the next start bit arrives. Erratic operation may occur when 2 or more characters are transmitted as a string and only one stop bit is used.
The circuit may be modified to run at different baud rates by adjusting the clock frequency. This can be accomplished by temporally connecting pin 6 of the CD4013 to the positive supply and then selecting R and C values for the desired frequency. You may need to use a 1% resistor or a couple 5% resistors in series or parallel to get the value close enough. Or use a variable resistor in series of about 10% the total value.
At 9600 baud, data output at the shift registers will be unstable for about a millisecond per word while the incoming data bits are shifted into the registers and the existing bits are shifted out (into bit heaven). Higher baud rates will reduce this time proportionally and the original circuit operates at 57.6K baud to eliminate a slight flickering of the lights which was noticed at 9600.
The 74HCT164 shift register outputs will sink or source about 4 milliamps at 6 volts which can be increased with medium power transistors or FETs to drive relay coils, incandescent lights and other electronic devices. If relays are used, a small signal diode will need to be added across the relay coil to suppress the inductive voltage.
Power supply
It is recommended that 0.1 uF capacitors be installed near the power pins of each CMOS device and a well regulated/filtered power supply be used. For test purposes, a 6 volt battery will work but the clock frequency will change slightly with power supply voltage variations.
Serial port male D-SUB connectors as seen from outside the PC.
| Output / Input | 25 pin | 9 pin | |
|---|---|---|---|
| Transmit Data | O | 2 | 3 |
| Receive Data | I | 3 | 2 |
| Request To Send | O | 4 | 7 |
| Clear To Send | I | 5 | 8 |
| Data Terminal Ready | O | 20 | 4 |
| Data Set Ready | I | 6 | 6 |
| Ring Indicator | I | 22 | 9 |
| Data Carrier Detect | I | 8 | 1 |
| Signal ground | - | 7 | 5 |
| Power line ground | - | 1 | - |
QBasic test program for 8 bit receiver
CLS DEFINT A-Z PRINT "Test sequence in progress, press any key to quit." OPEN "COM1:9600,n,8,2,CD0,CS0,DS0,OP0,RS,TB2048" FOR OUTPUT AS #1 Sequence: FOR Bit = 0 TO 7 PRINT #1, CHR$(255 - (2 ^ Bit)); ' Set one of 8 outputs high. SLEEP 1 ' Wait 1 sec between characters. IF INKEY$ <> "" THEN CLOSE : SYSTEM NEXT Bit GOTO Sequence
2712
19 September 2009
