circuits
schematics
diagrams
FreeCircuits.net

Servo Preamplifier
By Robert J. Widlar
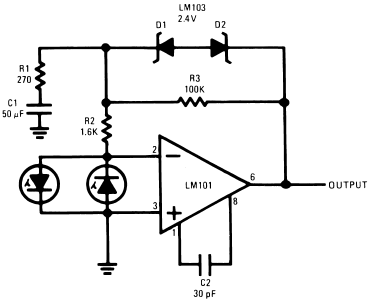
In certain servo systems, it is desirable to get the rate signal required for loop stability from some sort of electrical, lead network. This can, for example, be accomplished with reactive elements in the feedback network of the servo preamplifier.
Many saturating servo amplifiers operate over an extremely wide dynamic range. For example, the maximum error signal could easily be 1000 times the signal required to saturate the system. Cases like this create problems with electrical rate networks because they cannot be placed in any part of the system which saturates. If the signal into the rate network saturates, a rate signal will only be developed over a narrow range of system operation; and instability will result when the error becomes large. Attempts to place the rate networks in front of the error amplifier or make the error amplifier linear over the entire range of error signals frequently gives rise to excessive dc error from signal attenuation.

Figure 1. Saturating Servo Preamplifier with Rate Feedback
These problems can be largely overcome using the kind of circuit shown in Figure 1. This amplifier operates in the linear mode until the output voltage reaches approximately 3V with 30 μA output current from the solar cell sensors. At this point the breakdown diodes in the feedback loop begin to conduct, drastically reducing the gain. However, a rate signal will still be developed because current is being fed back into the rate network (R1, R2 and C1) just as it would if the amplifier had remained in the linear operating region. In fact, the amplifier will not actually saturate until the error current reaches 6 mA, which would be the same as having a linear amplifier with a В±600V output swing.
1038
08 December 2007
