circuits
schematics
diagrams
FreeCircuits.net

A FET Amplifier
By Robert J. Widlar
For ambient temperatures less than about 70°C, junction field effect transistors can give exceptionally low input currents when they are used on the input stage of an operational amplifier. However, monolithic FET amplifiers are not now available since it is no simple matter to diffuse high quality FET’s on the same chip as the amplifier. Nonetheless, it is possible to make a good FET amplifier using a discrete FET pair in conjunction with a monolithic circuit.

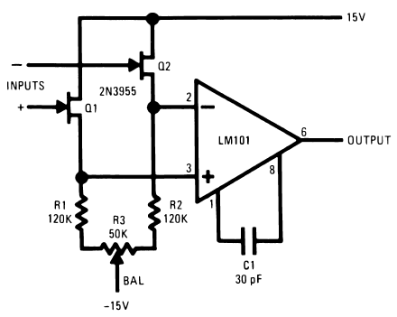
Figure 1. FET Operational Amplifier
Such a circuit is illustrated in Figure 1. A matched FET pair, connected as source followers, is put in front of an integrated operational amplifier. The composite circuit has roughly the same gain as the integrated circuit by itself and is compensated for unity gain with a 30 pF capacitor as shown. Although it works well as a summing amplifier, the circuit leaves something to be desired in applications requiring high common mode rejection. This happens both because resistors are used for current sources and because the FET’s by themselves do not have good common mode rejection.
3945
08 December 2007
