Electronic
circuits
schematics
diagrams
circuits
schematics
diagrams
FreeCircuits.net

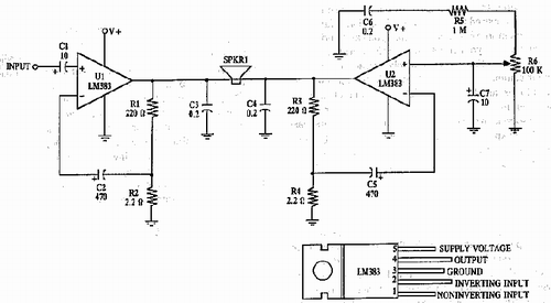
16 Watt Amplifier
By internum
16 Watt Audio Amplifier uses two LM383 IC.
16 Watt Amplifier circuit
Parts:
|
U1 U2 |
LM383 8 watt audio amplifier ic |
| R1, R3 | 220 ohm resistor |
| R2, R4 | 2.2 ohm resistor |
| R5 | 1 megohm resistor |
| R6 | 100k audio taper potentiometer |
| C1, C7 | 10uf electrolytic capacitor |
| C2, C5 | 470uf electrolytic capacitor |
| C3, C4, C6 | 0.2uf ceramic capacitor |
| SPKR1 | 4 to 8 ohm speaker (up to 8 inches diameter) |
All resistors are 5 or 10 percent tolerance, 1/4-watt
All capacitors are 10 percent tolerance, rated 35 volts or higher
This circuit provides 16 watts of amplification. it is built using two LM383 power audio amplifiers. use suitable heat sinks with the ic's.
www.reconnsworld.com
3211
05 August 2007

